“天祥”牌差壓開關介紹
時間:2020-04-26 00:25:23 點擊次數:1544
首先什么是差壓開關?
差壓開關由兩個個膜盒腔組成,兩個腔體分別由兩片密封膜片和一片感差壓膜片密封。高壓和低壓分別進入差壓開關的高壓腔和低壓腔,感受到的差壓使感壓膜片形變,通過欄桿彈簧等機械結構,*終啟動*上端的微動開關,使電信號輸出。差壓開關的感壓元件不同分為膜片和波紋管式,性能特點亦不同。差壓開關由感壓元件的組成不同,原理不同,性能也有不同。膜片式可以做成高靜壓低差壓,而波紋管因為本身耐壓低。
“天祥”牌差壓開關詳解
我公司典型的差壓開關有D520/7DD型,D530/7DD型,YWK-7DD型等。下面就分別為大家介紹一下這幾款差壓開關。
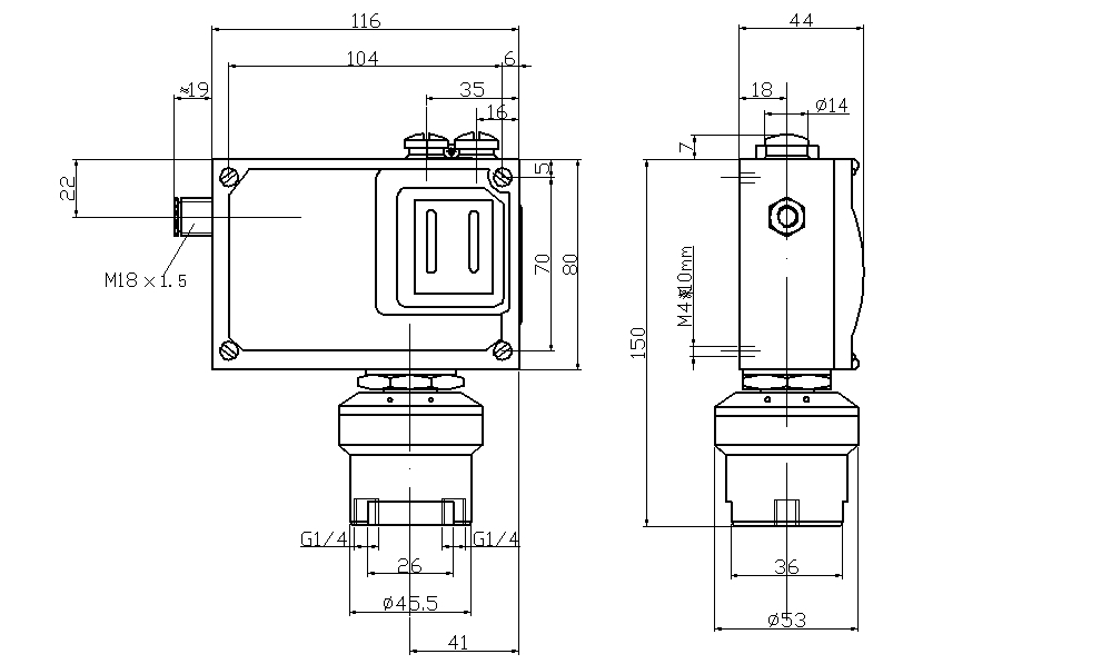
D520/7DD型
520/7DD差壓控制器采用波紋管式的傳感器,可用于空氣、氣體、水蒸汽等中性氣體和水、制冷劑、油等液體介質。520/7DD差壓控制器的設定值可調,調節范圍0.02~1.6MPa,工作壓力范圍0.05~2.5MPa。

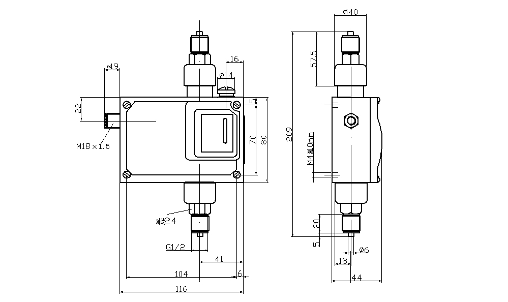
D530/7DD型
530/7DD差壓控制器采用波紋管式的傳感器,可用于腐蝕性的氣體和液體介質。530/7DD差壓控制器的設定值可調,調節范圍0.02~3MPa,其工作壓力范圍0.05~6.3MPa。

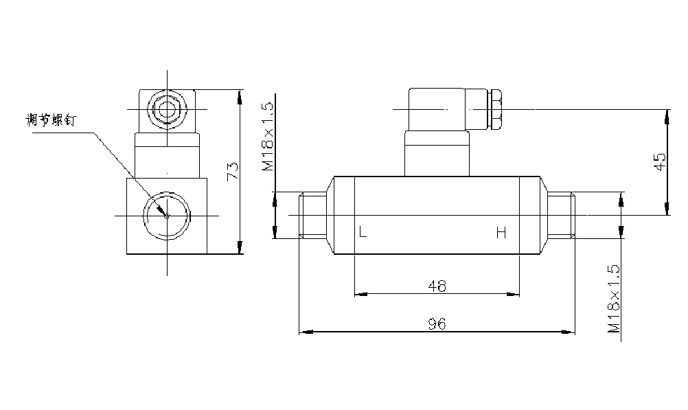
YWK-7DD型
YWK-7DD差壓控制器采用膜片及活塞結合形成的傳感器,能耐較高的靜壓,適用于空氣、氣體等中性氣體和潤滑油、輕燃油等液體介質。控制器的差壓設定值可調,調節范圍70~300KPa。YWK-7DD差壓控制器結構緊湊小巧,尤為適用于對安裝空間要求苛刻的場合。

其中兩款D520/7DD和530/7DD兩款均有防爆差壓開關款,YWK-7DD為小型差壓開關。D520/7DD和530/7DD兩款的安裝方式也不同。客戶在選擇時尤其需要注意。有關差壓開關的問題您都可以電話咨詢我們的銷售工程師,咨詢熱線:400-119-0288


